网站首页
申报书
建设方案
任务书
项目建设任务完成情况
总结报告
典型案例
成果成效
项目建设资金执行情况
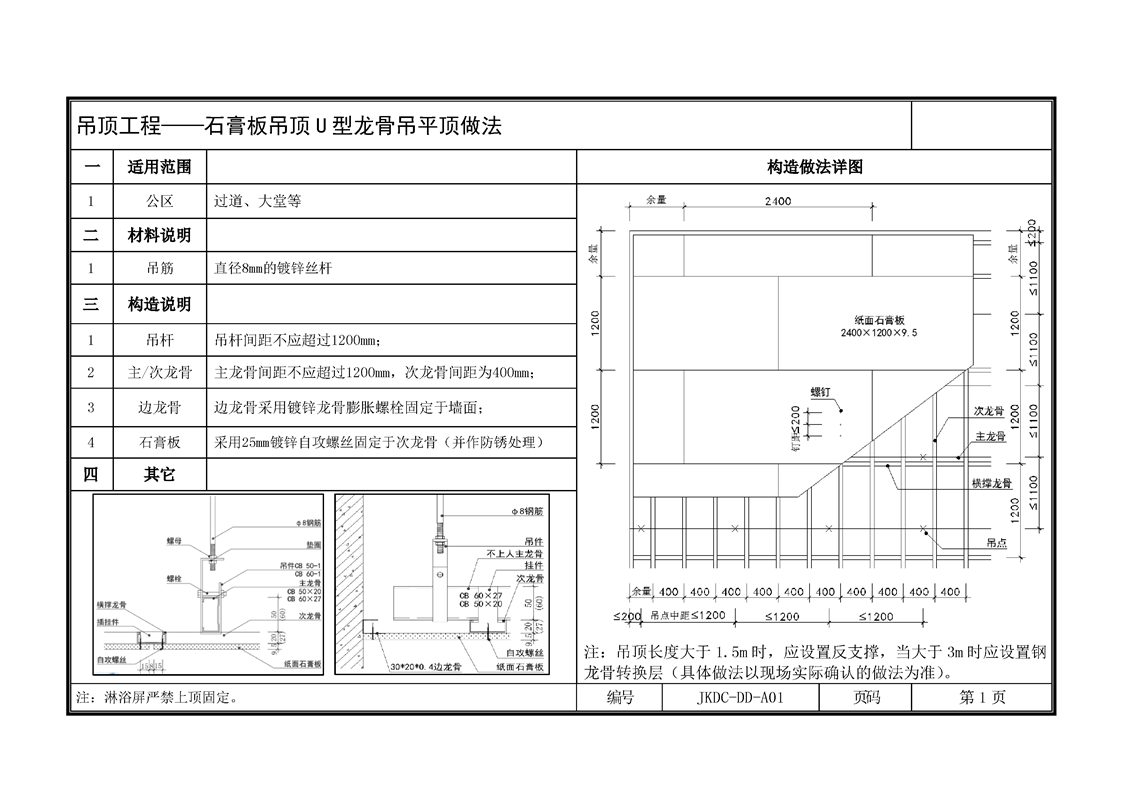
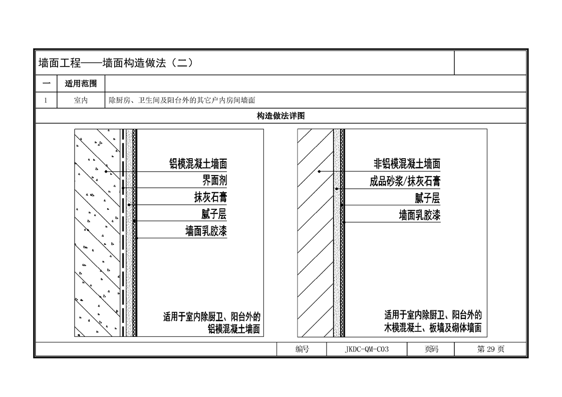
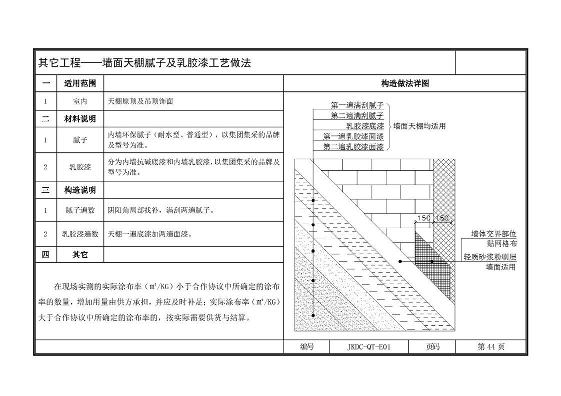
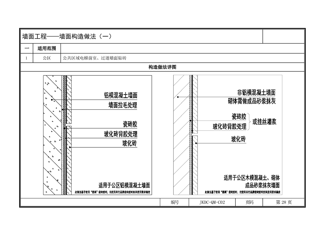
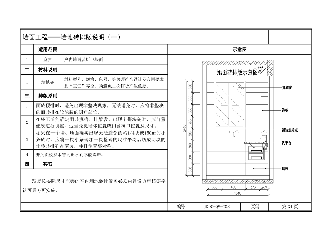
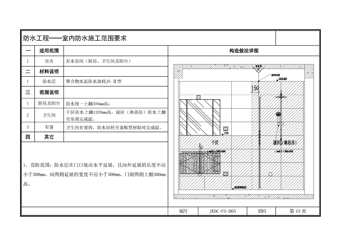
工程构造做法说明
来源:
作者:教务科-刘洪佳
点击数:1418
日期:2021-06-26
字体:【
大
中
小
】
【关闭窗口】
【返回顶部】
【打印文章】
学校地址:四川省泸州市龙马潭区九狮路三段三号(医教园区) 联系电话:0830-31727205 技术支持:信息中心 邮编:646608